FLEXIBLE INTERMEDIATE BULK CONTAINER BAG
Quality Excellence
Professional Brand
YANTAI QINFENG PLASTICS,.LTD
Sales Tel :
0086-532-82800991
HOME
ABOUT US
PRODUCTS
APPLICATION
CONTACT US
产品详情
分享到:
上一个
下一个
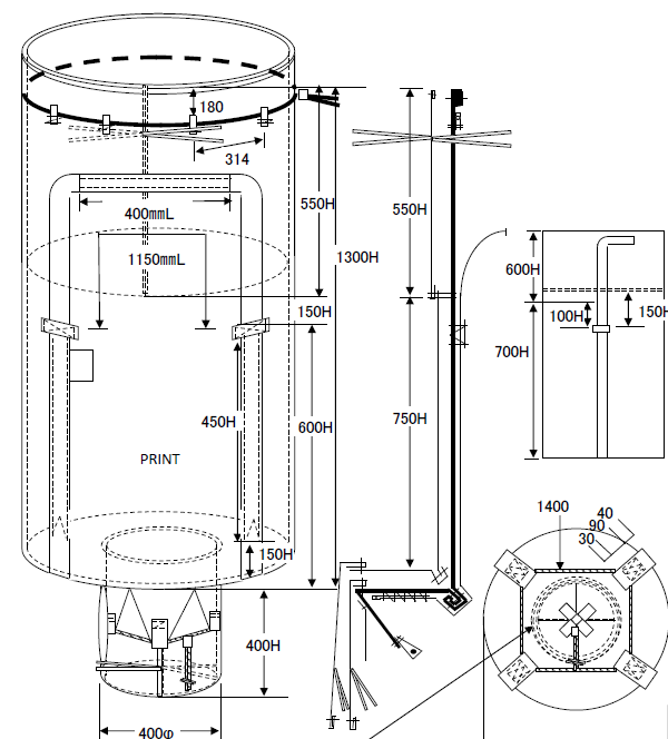
QF-2.3
编号
:
2.3
产品详情
Container
Special